PC에 사용되는 전원공급장치는 교류(AC)를 컴퓨터에서 필요로 하는 3.3v, 5v, 12v 직류(DC)로 변환하는 장치다.
장치 각 구성부의 역할은 아래 그림과 같다.

전원공급장치 각 부분에 대한 자세한 사항은 아래 사이트 참조
https://blog.daum.net/hanarm/16511208
컴퓨터 파워 서플라이 동작원리와 전압 종류
파워 서플라이 동작 원리와 전압 종류 등... 1) 파워 서플라이의 동작 원리... 1) 파워 서플라이(Power Supply)란?... ㄱ) 파워 서플라이라는 것은 가정용의 교류(AC) 전류를 받아들여서, 컴퓨터에 필요한
blog.daum.net
전원공급장치 외형 크기에 따른 분류(폼팩터)는 아래와 같다(나무위키 참조)
| 폼팩터 | 외형크기 | 비고 |
| ATX / PS/2 | (140~180)mm x 150mm x 85mm | 일반적인 폼팩터 |
| Micro ATX | 125mm x 100mm x 63.5mm | 준 슬림형 케이스 |
| TFX | 175mm x 85mm x 65mm | LP케이스에 사용 |
| SFX | 125mm x 100mm x 60mm | |
| Flex-ATX | 81.5mm x 150mm x 40mm |

전원공급장치의 커넥터는 다음과 같다.

| 커넥터 명칭 | 용도 | 비고 |
| 24(20+4) pin 메인 커넥터 | 메인보드에 연결 | 20pin ATX 1.x, 24pin ATX 2.x (PCI-E 슬롯에 추가 전원공급을 위해 4핀 추가) |
| 4 pin Peripheral 커넥터(Big) | IDE HDD/ODD 팬, 케이스 LED | 4pin molex라고도 함 |
| 4 pin Floppy 커넥터(Small) | floppy 드라이드에 연결 | AGP 그래픽카드에 연결되기도 함 |
| 15 pin SATA 커넥터 | SATA HDD/ODD에 연결 | |
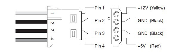
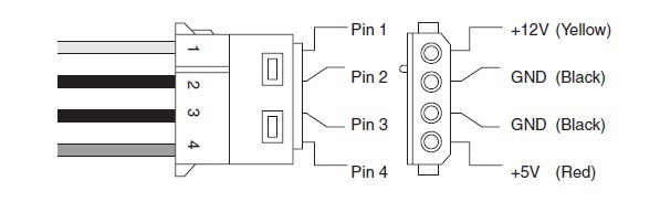
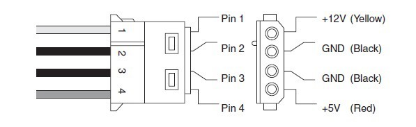
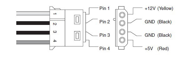
| 4 pin ATX 12V 커넥터 | 메인보드에 연결 | CPU와 메인보드에 전력 추가 |
| 8(4+4) pin EPS 12V 커넥터 | 메인도브에 연결 | CPU와 메인보드에 전력 추가 |
| 6 pin PCI-E 커넥터 | PCI-E 그래픽카드 | 75W 추가 전력 제공 |
| 8(6+2) pin PCI-E 커넥터 | PCI-E 그래픽카드 | 150W 추가전력 제공 |
더 상세한 내용은 보바의 하드웨어 이야기 참조
보바의 하드웨어 이야기 : 네이버 블로그
파워 서플라이 정보 공유.
m.blog.naver.com
전원공급장치 커넥터의 상세 내용( https://neon.tistory.com/209 참조)







*SATA는 접점이 3개씩 입니다. 맨 끝에 오렌지(3.3V)는 SATA 디스크의 HOT PLUG 기능 구현 용도로 사용되었으며
SATA 3.3(2016년 2월) 규격 부터는 "전원 원격 차단(Power Disable) 기능" 으로 사용됩니다.
없어도 동작하는데 지장이 없습니다.(https://neon.tistory.com/209)

커넥터 몰렉스 파트넘버(https://coolenjoy.net/)
| 커넥터 명칭 | 커넥터 몰렉스 파트넘버 | 클램프 |
| 24(20+4) pin 메인 커넥터 | 블랙-0050361667 (도면) 아이보리-39012245 화이트-39012240 |
몰렉스 5557 분류 클램프 (18-24AWG)-0039000181 |
| 4 pin Peripheral 커넥터(Big) | 0015244048 | 몰렉스 8981 분류 클램프 (14-20AWG)-0002081201 반대편 커넥터 0015244449 클램프 (18-24AWG)-0002062101 |
| 15 pin SATA 커넥터 | 커넥터 - 679260011 중간 커넥터 연결캡 - 679260041 끝단 커넥터 연결캡 - 679260040 |
|
| 4 pin ATX 12V 커넥터 | 블랙-0050361746 | 몰렉스 5557 분류 클램프 (18-24AWG)-0039000181 클램프(14-16AWG) 043375001 |
| 8(4+4) pin EPS 12V 커넥터 | 블랙-0050361713 아이보리-39012085 화이트-39012080 |
|
| 6 pin PCI-E 커넥터 | 0050361672 | |
| 8(6+2) pin PCI-E 커넥터 | 39013085 (6+2) 0050361672(6핀) 0050361673(2핀) |

커넥커는 몰렉스 Mini-Fit Family Power Connectors종류이며, 링크에서 그 종류를 확인할수 있다
