HW 프로그래밍/아두이노
ESP32 커스텀 보드 설계
N2info
2021. 2. 2. 19:51

자료는 NODEMCU의 스케메틱과 ESP 개발 가이드를 참고했다.
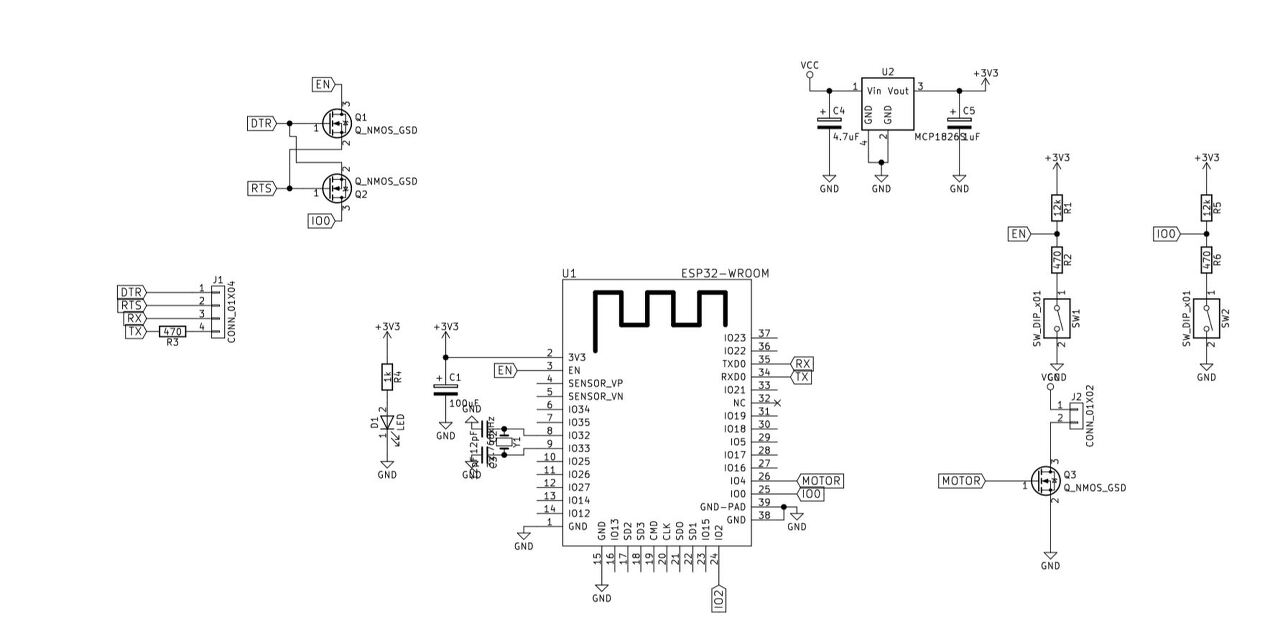
전체 회로도는 아래와 같다.

그림 1. ESP 커스텀보드 회로
크게 전원회로, 자동 플래싱 회로, 플래싱 핀 세 가지로 구분 가능하다.

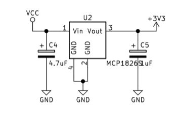
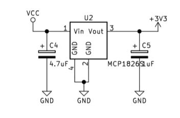
그림 2. 전원부 회로

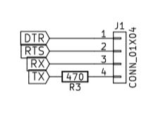
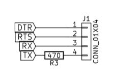
그림 3. 플래싱용 4핀
ESP32는 통신과 플래싱을 USART로 한다.
추가로 DTR과 RTS을 필요로 한다.
전원부 레귤레이터는 3.3V MCP1826를 사용했다.
USB 전원 구동이라면
LM1117과 2개의 10uF 탄탈커패시터로 구성해도 무방하다.


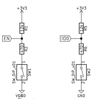
그림 4. 자동 플래싱 회로
자동 플래싱 회로다.
nodemcu의 회로를 따서 썻지만, 이상하게 잘 안되더라.
EN버튼을 꾹 누른 상태에서 플래싱을 해야 플래싱이 된다.

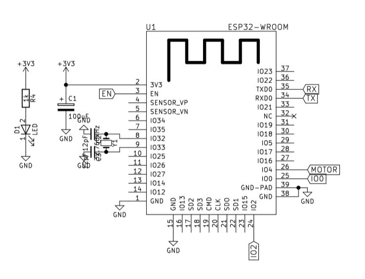
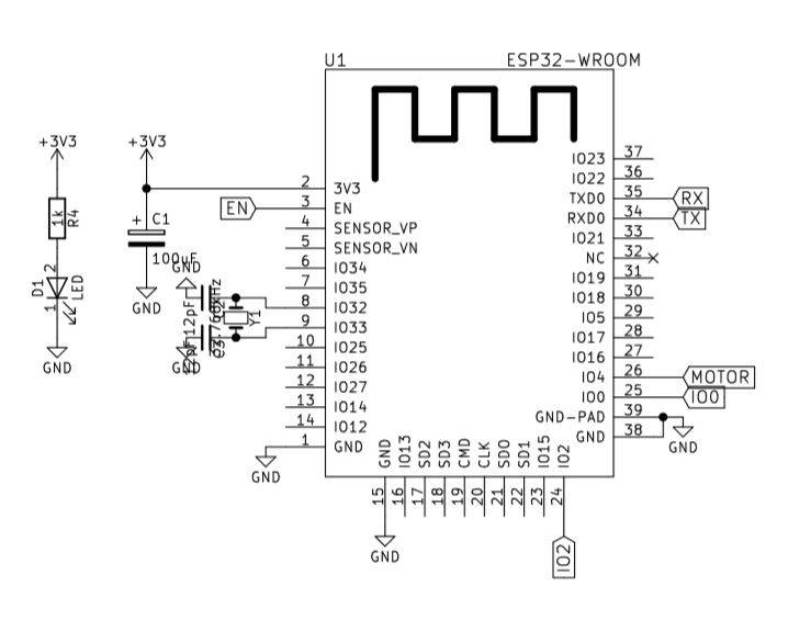
그림 5. ESP32 회로
ESP32 회로다. 칩 형태로 되어있어 내부에 크리스탈이 있으므로,
유선 전원 구동이면 별도의 크리스탈을 필요로 하지 않는다.
워치독과 같이 RTC를 요구할 시 위와같이 32.768KHz를 하나 달아주고
12pF을 두 개 달아준다.
이외에 전원에 100uF 탄탈 커패시터를 하나 박아준다.
stm보다 클럭이 많이 높은 탓인지 굉장이 값이 크다.

최종 아트워크 결과