보드와 전선의 연결 부품 정리
IoT 장비를 만들다 보면 커넥터등 부품을 사용하여 보드와 보드, 보드와 전선, 전선과 전선을 연결해야하는 경우가 있는데, 종류가 너무 많고 어떤 부품을 사용해야 하는지 알기 힘들다
초보 입장에서 다음의 전체하에 있다면 하나만 정해놓고 사용하자
- 터미널 압착공구 같은게 있기는 한데... 사용하기 쉽지 않다
- 주로 얇은 전선을 사용한다(AWG 22 이하 전선굵기가 0.06mm 이하, 허용전류는 3A 이하)
- 왠만하면 내가 하자라는 생각이 크신분
- LCSC 사이트에서 구매한다
검색해보면 몰렉스, JST 등등 많다 국내에서도 많이 판다 근데, LCSC 사이트에서 구매한다 싸다
중국의 CJT conn사의 A2547시리즈를 중심으로 기록한다(기술문서)

전선과 전선의 연결(아래 그람과 같은 연결)이다.


연결하는 전체 길이는 약 30mm인 이 연결을 위해서는 커넥터 암놈, 숫놈, 암놈용 터미널, 숫놈용 커미널이 필요하다
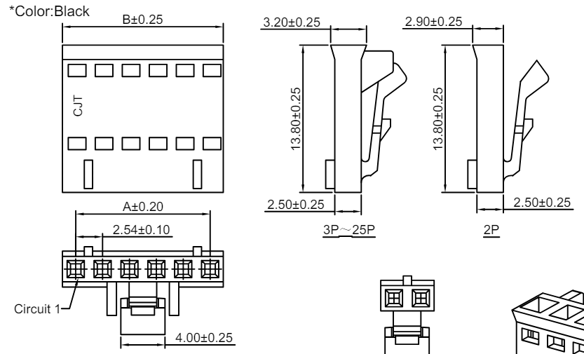
좌측 부분은 A2547HM-XP Housing With Lock 이 정식 명칭이다

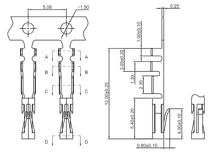
좌측 부분은 A2547HM-XP Housing With Lock 에 사용되는 터미널은 CJT A2547M-T(-L) series Terminal 이다.

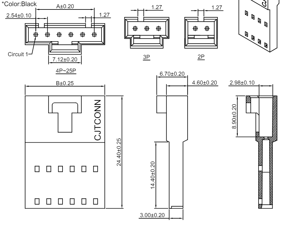
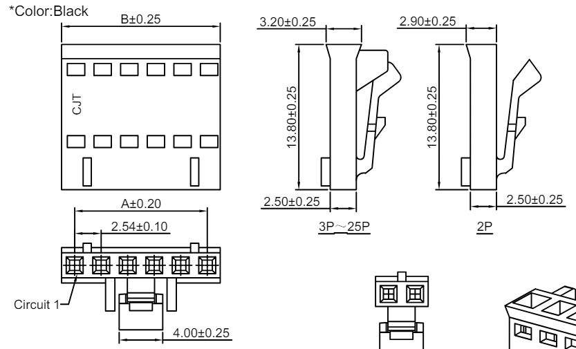
우측 부분은 A2547HA-XP Housing With Lock 이 정식 명칭이다

우측 부분은 A2547HA-XP Housing With Lock 에 사용되는 터미널은 CJT A2547-T-B series Terminal이다.

보드과 전선의 연결(아래 그람과 같은 연결)이다.
이 제품의 경우 수직으로 전선을 연결하는것보다 90도 꺽어 연결하는게 바람직해 보인다.

우측 부분은 위에서 설명한 A2547HA-XP Housing With Lock과 동일하게 사용한다.
좌측부분은 전선을 자주 꽃았다가 뺏다면 구멍이 기판을 관통하는 A2547WR-XP을 사용하자
나머지는 동일하다

위 제품을 LCSC 사이트에서 검색하려면 아래 부품번호나 키워드를 사용하자
| 부품명 | LCSC Part# | Mfr. Part # |
| A2547HM-XP Housing With Lock | C339420 | A2547HM-5P |
| CJT A2547M-T(-L) series Terminal | C339436 | A2547M-TP |
| A2547HA-XP Housing With Lock | C339400 | A2547HA-5P |
| CJT A2547-T-B series Terminal | C339475 | A2547-TP |
| A2547WR-XP | C5296012 | A2547WR-5P |